Different materials and machining processes can only accommodate different tolerances. This means there is no entirely “standard” machining tolerance.
The range within which a dimension can vary is called the “tolerance zone”. The larger the allowable difference between the upper and lower limits, the looser the tolerance zone; the smaller the difference, the tighter the tolerance zone.
There are several different ways to express tolerances, including upper and lower limits, allowable deviations above and below a specific dimension, and the allowable variance itself. Three basic types of tolerances commonly seen on construction drawings are as follows:
Bilateral Tolerance: Allows variations both above and below the basic dimension, with either equal or unequal variation amounts. The upper variation is marked with a “+” sign, and the lower variation with a “-” sign.
Unilateral Tolerance: Allows variation either above or below the basic dimension, but not both (the dimension can only deviate in one direction). The upper variation is marked with a “+” sign, and the lower variation with a “-” sign.
Limit Tolerance: Does not use “+” or “-” signs; instead, it directly shows the upper and lower limits of the dimension. Any value between these two limits is acceptable.
Tolerances can also be expressed by the number of decimal places—the more decimal places, the stricter the tolerance:
One decimal place, written as .x (e.g., ±0.1)
Two decimal places, written as .0x (e.g., ±0.02)
Three decimal places, written as .00x (e.g., ±0.006)
Four decimal places, written as .000x (e.g., ±0.0004)
The following terms are often used when applying tolerances:
Basic Dimension: The diameter of a bolt or shaft, and the diameter of a hole.
Upper Deviation: The difference between the maximum possible dimension of a part and its basic dimension.
Lower Deviation: The difference between the minimum possible dimension of a part and its basic dimension.
Allowance: For mating parts, the allowance refers to the minimum clearance and maximum interference.
Datumn: Some tolerances reference one or more specific datums—i.e., the precise plane, line, axis, or point position to which GD&T or dimensional tolerances refer.
Factors Determining Tolerances
When determining tolerances, several important factors need to be considered:
Material: No two materials are identical, and some materials are easier to machine than others. To determine tolerances, it is important to consider the material’s thermal stability, hardness, rigidity, and wear resistance.
Machining Method: The type of machining used has a significant impact on the final product, as some processes are more precise than others.
Plating and Finishing: Plating and finishing add a small amount of material to the part surface, which may change the part’s dimensions enough to affect compliance with different tolerances.
Cost: The stricter the tolerance, the higher the process cost. To maintain cost-effectiveness, it is crucial to ensure that tolerances are precise but not excessively strict.
Typical Machining Tolerances
Generally, five types of tolerances are specified in GD&T:
Form Tolerance: The basic geometric tolerance that determines the shape of a part.
Profile Tolerance: Sets a boundary around a surface, within which all elements of the surface must lie.
Orientation Tolerance: Determines the orientation of a shape relative to a reference.
Position Tolerance: Indicates the position of a feature relative to a reference.
Runout: Specifies the runout variation of a target feature when the part rotates around an axis.

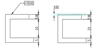
Flatness
The flatness tolerance range is 0.02 mm, ensuring the surface lies within these limits.

Straightness
A straightness tolerance of 0.02 mm ensures that the edge of the line stays within these limits.

Cylindricity
The extracted cylindrical surface shall be confined within the tolerance zone formed between two coaxial cylindrical surfaces with a radius difference of 0.02 mm.

Circularity
The extracted circumference shall be confined within the tolerance zone between two coplanar concentric circles with a radius difference of 0.02 mm.

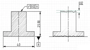
Perpendicularity
The perpendicularity tolerance range relative to Datum A is 0.02 mm, ensuring the surface lies within these limits.

Parallelism
The parallelism tolerance range of the surface relative to Datum A is 0.02 mm, ensuring the surface lies within these limits.

Angularity
The angularity tolerance range relative to Datum A is 0.02 mm, ensuring the surface lies within these limits.

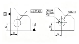
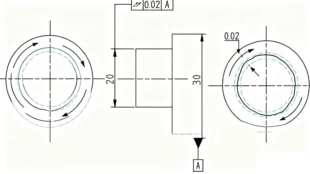
Positional Tolerance
The positional tolerance range relative to Datums A and B is 0.02 mm, ensuring the shaft is located within a circular tolerance zone of 0.02 mm.

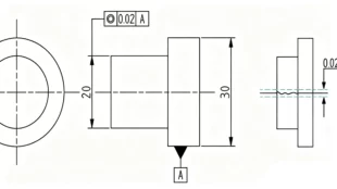
Concentricity (Coaxiality)
The concentricity tolerance range relative to Datum A is 0.02 mm, ensuring the shaft lies within these limits.

Symmetry
The symmetry tolerance range relative to Datum A is 0.02 mm, ensuring the middle plate lies within these limits.

Circular Runout
The circular runout tolerance range relative to Datum A is 0.02 mm, ensuring the circle lies within these limits.

Total Runout
The total runout tolerance range relative to Datum A is 0.02 mm, ensuring the surface lies within these limits.

Surface Profile
A surface profile tolerance that ensures the tolerance of the surface relative to Datums A and B is within 0.02 mm.

Line Profile Tolerance
The line profile tolerance ensures that the tolerance of lines on the surface relative to datums A and B is within 0.02 mm.

Material Condition
In the standards of geometric tolerancing (GD&T, Geometric Dimensioning and Tolerancing), “material condition” is a core concept used to define the relational connection between the dimensions of part features (such as holes, shafts, planes, etc.) and their geometric tolerances. Its core purpose is to maximize the reduction of manufacturing difficulty and cost while ensuring the functionality of parts.
In addition to the Maximum Material Condition (MMC) mentioned earlier, there are also Least Material Condition (LMC) and Regardless of Feature Size (RFS; strictly speaking, it is a corresponding concept of the “independent principle” and is often discussed alongside the previous two).
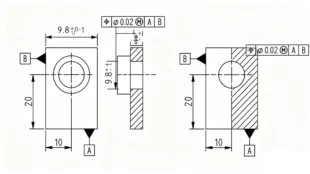
The symbol “Ø” indicates a circular tolerance zone; otherwise, it is regarded as two parallel planes or a wide tolerance zone according to the geometric feature symbol. This value represents the allowable deviation from the basic feature. There are two types of material modifier conditions: Maximum Material Condition (MMC) and Least Material Condition (LMC). They are useful because they can add additional tolerance to the feature. If not specified, the condition is called “Regardless of Feature Size (RFS)”, and the tolerance of the feature remains unchanged.
Maximum Material Condition (MMC)
Core Definition: The Specific Manifestation of “Maximum Material Content”
The dimensions of a part (such as diameter, length, thickness, etc.) are usually marked with “basic dimensions” and “dimensional tolerances”, which result in two limit dimensions: maximum limit dimension and minimum limit dimension.
The “maximum material condition” of a hole refers to the state when its diameter is the smallest (with the highest material proportion), while the “maximum material condition” of a shaft refers to the state when its diameter is the largest. The essence of both is that “the part occupies the largest actual space and has the smallest assembly clearance”.

Least Material Condition (LMC)
Least Material Condition (LMC) refers to the state where a feature of a part contains the minimum amount of material, meaning the actual size of the feature reaches its “Least Material Size (LMS)”. The definition of LMS varies for different types of features:
External Features (e.g., shafts, bosses): LMS = Maximum Limit of Size. For example, if a shaft is dimensioned as φ20⁻⁰・⁰²⁰⁻⁰・⁰³⁰, its LMS is φ19.97. At this size, the shaft is the thinnest and contains the least material.
Internal Feature (e.g., holes, slots): LMS = Minimum Limit of Size. For example, if a hole is dimensioned as φ20⁺⁰・⁰¹⁰⁺⁰・⁰²⁰, its LMS is φ20.01. At this size, the hole is the smallest and the material around it is the least.
In simple terms, LMC represents the state where the part is “thinnest” (for external features) or “most hollow” (for internal features).
Regardless of Feature Size (RFS)
Regardless of Feature Size (RFS) means that the geometric tolerance of a part is completely independent of the actual size of its features. No matter whether the actual size of the feature is close to the maximum limit, minimum limit, or an intermediate value, the geometric tolerance always remains the marked “basic tolerance value” and will not be compensated or reduced with changes in size.
It is the default principle for geometric tolerance dimensioning (if the drawing does not mark the MMC/LMC symbol, RFS is followed by default), and its symbol is “⦿” (used only when explicit marking is required; no marking by default).
No Tolerance Compensation: The geometric tolerance is a “fixed value” and has no connection with dimensional deviation.
Strict Precision Requirements: It is applicable to scenarios where high geometric precision is required and precision reduction due to size changes is not allowed.
| Type of Material Condition | Abbreviation | Core Definition (Material State) | Application Scenarios |
| Maximum Material Condition | MMC | Maximum material content (size reaches the maximum limit: largest shaft / smallest hole) | Assembly fit, tolerance compensation; ensuring minimum clearance / maximum interference |
| Least Material Condition | LMC | Minimum material content (size reaches the minimum limit: smallest shaft / largest hole) | Ensuring part strength and preventing fracture (e.g., thin-walled parts), or controlling maximum clearance |
| Regardless of Feature Size | RFS | Material state is not considered (geometric tolerance is fixed regardless of size) | Scenarios requiring strict precision control (e.g., positioning surfaces of precision instruments) |
Accuracy Grades Achievable by Common Machining Methods
The following figure shows the general performance levels achievable by some common machining methods:

Turning
In turning, the workpiece rotates while the turning tool moves linearly or curvilinearly in a plane. Turning is usually performed on a lathe, and is used to machine internal and external cylindrical surfaces, end faces, conical surfaces, formed surfaces, and threads of workpieces.

The general accuracy of turning is IT8-IT7, with a surface roughness of 1.6-0.8 μm.
1) For rough turning, the goal is to use a large depth of cut and high feed rate to improve turning efficiency without reducing the cutting speed. However, the machining accuracy can only reach IT11, and the surface roughness is Ra 20-10 μm.
2) For semi-finishing and finishing turning, high cutting speed and small feed rate (as well as small depth of cut) should be adopted as much as possible. This enables machining accuracy to reach IT10-IT7, with a surface roughness of Ra 10-0.16 μm.
3) When performing high-speed precision turning on non-ferrous metal parts using a finely lapped diamond turning tool on a high-precision lathe, the machining accuracy can reach IT7-IT5, and the surface roughness can be Ra 0.04-0.01 μm.
Milling
Milling is an efficient machining method that uses a rotating multi-blade tool to cut workpieces. It is suitable for machining flat surfaces, grooves, various formed surfaces (such as splines, gears, threads), and special shapes of molds. Based on whether the main motion speed is the same as or opposite to the workpiece feed direction during milling, it is divided into climb milling and conventional milling.

The general machining accuracy of milling can reach IT8-IT7, with a surface roughness of 6.3-1.6 μm.
1) Rough milling: Machining accuracy ranges from IT11 to IT13, and surface roughness is 5-20 μm.
2) Semi-finish milling: Machining accuracy ranges from IT8 to IT11, and surface roughness is 2.5-10 μm.
3) Finish milling: Machining accuracy ranges from IT16 to IT8, and surface roughness is 0.63-5 μm.
Planning
Planning is a cutting method that uses a planer to perform horizontal relative linear reciprocating motion on a workpiece, mainly used for shaping parts.
The general machining accuracy of planning can reach IT9-IT7, with a surface roughness of Ra 6.3-1.6 μm.
1) Rough planning: Accuracy can reach IT12-IT11, and surface roughness is 25-12.5 μm.
2) Semi-finish planning: Accuracy can reach IT10-IT9, and surface roughness is 6.2-3.2 μm.
3) Finish planning: Accuracy can reach IT8-IT7, and surface roughness is 3.2-1.6 μm.
Grinding
Grinding refers to a machining method that uses abrasives and grinding tools to remove excess material from workpieces. It is a type of finish machining and is widely used in the machinery manufacturing industry.

Grinding is usually used for semi-finish machining and finish machining, with an accuracy of up to IT8-IT5 or even higher, and a general surface roughness of 1.25-0.16 μm.
1) Precision grinding: Surface roughness is 0.16-0.04 μm.
2) Super-precision grinding: Surface roughness is 0.04-0.01 μm.
3) Mirror grinding: Surface roughness can reach below 0.01 μm.
حفر
Boring
For steel materials, the boring accuracy can generally reach IT9-IT7, with a surface roughness of 2.5-0.16 μm.
Precision boring can achieve a machining accuracy of IT7-IT6, with a surface roughness of 0.63-0.08 μm.










